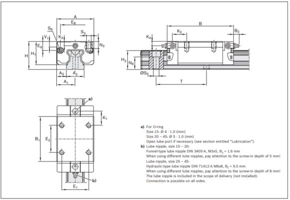
R1622 813 20 Каретка кулькова серії BSHP
Каретка кулькова Bosch REXROTH BSHP SNS 20 H С1
Типорозмір 20
Клас H
Попередній натяг С1
SNS
Vmax-5m/s Amax-500m/s2 С-23400N C0-29800N Mt-300Nm Mt0-380Nm Ml-200Nm Ml0-260Nm
Максимально допустиме навантаження во всіх напрямках О-Подібне розташування доріжок забезпечує високу жорсткість системи
Вбудований комплект ущільнень, посилений металевою пластиною







